T18
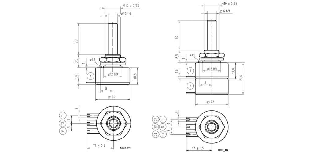
Die Draht-Präzisionspotentiometer dieser Produktlinie eignen sich für den Einsatz in allen industriellen Bereichen. Das glasfaserverstärkte Kunststoffgehäuse bietet eine hohe Festigkeit und Wärmebeständigkeit. Es kann zusätzlich vergossen werden und erreicht somit die Schutzart bis max. IP67. Zusätzlich wird die Welle im Boden gelagert, um axialen Belastungen entgegenzuwirken. Das Potentiometer bietet die Option einer durchgehenden Welle und ist als Mehrfachausführung erhältlich.
Technische Daten
- Gehäuse: Glasfaserverstärkter Kunststoff
- Welle: Edelstahl
- Lagerarten: Wartungsfreies Gleitlager
- Schutzart: Bis max. IP67
- Wellendrehmoment: bis 3,0 Ncm
- Anschlussarten: Steckanschluss, Lötanschluss, Litzen, Steckverbinder, kundenspezifische Anschlussart
- Befestigungsarten: Zentralbefestigung
Optionen
- Mehrfachausführung
- Durchdrehend lieferbar
- Zentralbefestigung M9x0,75 möglich
- Version mit durchgehender Welle verfügbar
- Optional: abgewinkelte Anschlüsse

Datenblatt als Download: