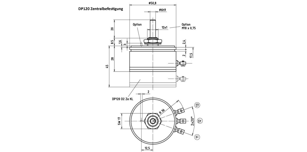
DP120
Die Draht-Präzisionspotentiometer dieser Produktlinie eignen sich besonders für den Einsatz als Istwertgeber in allen industriellen Bereichen. Sie sind extrem robust aufgrund des hochwertigen Aluminiumgehäuses. Die standardmäßig kugel-/nadelgelagerte Welle, aus nichtrostendem Edelstahl, nimmt problemlos radial und axial wirkende Kräfte auf. Das Gehäuse kann bis max. Schutzklasse IP67 ausgeführt werden.
Technische Daten
- Gehäuse: Aluminium
- Welle: Edelstahl
- Lagerarten: Kugellager, Nadellager
- Schleiferabgriff: Mehrfachabgriff, Edelmetall
- Schutzart: Bis max. IP67
- Anschlussarten: Klemmanschluss, Kabelanschluss, Sensorstecker, kundenspezifische Anschlussart
- Befestigungsarten: Zentralbefestigung, Synchroflansch (Größe 20)
Optionen
- Mehrfachausführung
- Edelmetallwicklung verfügbar
- Mittelanzapfung
- Zentralbefestigung M10x0,75 möglich
- Messumformer 0/4…20mA oder 0…10VDC verfügbar
- Version mit durchgehender Welle realisierbar
- Unterschiedliche Widerstandstoleranzen: ±1%
- Mit mechanischem Anschlag lieferbar


Datenblatt als Download:
Technisches Datenblatt (Zentralbefestigung)